汽车行业_汽车毫米波雷达测试解决方案

汽车行业_汽车毫米波雷达测试解决方案

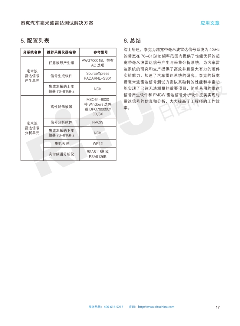
泰克汽车毫米波雷达测试解决方案


返回列表

联系我们

深圳总部:广东省深圳市南山区留仙大道南山 云谷创新产业园二期6栋一楼东座

0755-8368 0722(8线)

1403880343

社交分享

  • 公众号

  • 视频号

  • 哔哩哔哩

  • 抖音

友情链接: 泰克官网| 阿美特克官网| 日置官网| 菊水KIKUSU官网| 费思官网
Copyright◎2021-2030 RiTuChina.com AlI Rights Reserved.
粤ICP备14056224号 粤公网安备 44030502008393号